这篇文章已停刊 可以在此处找到当前文章 1186004 / U型夹,2056 H型脚,3位,金属压板,FT

U型夹,3位金属压槽

项目编号 1156241 | EAN码 4012195958765

3 Nm
产品描述
产品描述
带金属压槽的U型夹,3位 8-12mm
  • 欧共体,根据欧共体指令的欧共体(EC)符合性声明
  • C 型导轨夹,槽宽 16-17 mm
  • 槽口宽 16-17 mm
  • 功能维护等级 E30
  • 功能维护等级 E90
  • CO₂ footprint (PCF)
技术资料

技术参数

CO2 足迹 (GWP) 从摇篮到大门 0,0992 kg CO₂e / 1 件
安装方式 型材导轨
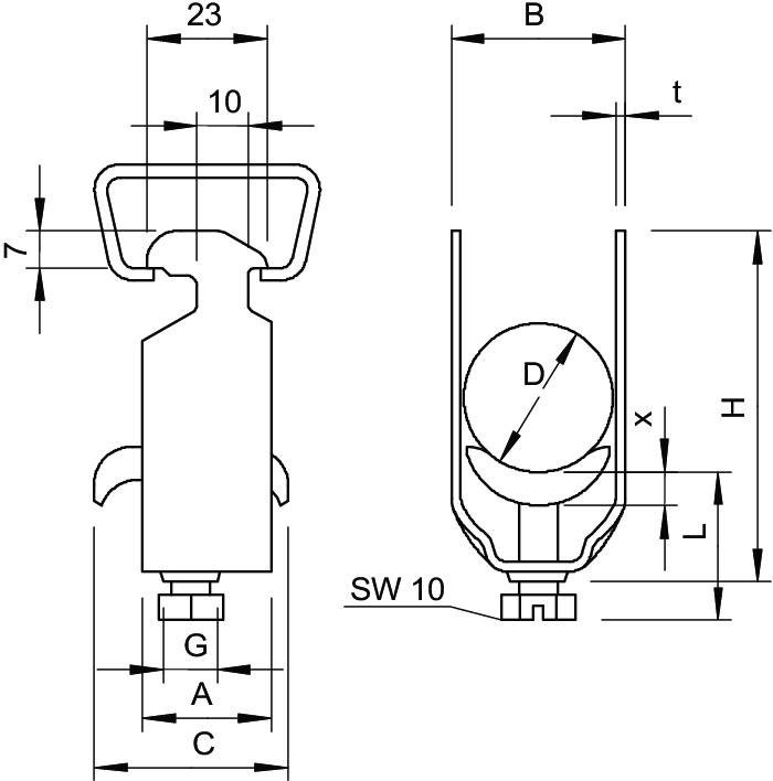
尺寸 8-12mm
尺寸 A 23 mm
尺寸 B 16 mm
尺寸 C 34 mm
尺寸 L 47 mm
尺寸 t 1,5 mm
尺寸 x 5 mm
尺寸G (mm) M6
尺寸H 70 mm
带反向压板
带塑料槽
带金属槽
抗冲击性
无卤
最大 拧紧扭矩 3 Nm
最大夹紧范围 D 12 mm
最小夹紧范围 D 8 mm
材料
材料添加
水槽材质
电缆/管道数量 3
表面 热浸镀锌
表面添加 热镀锌
适用于采用最大槽宽(包括间隔)的导轨 17 mm
适用于采用最小槽宽(包括间隔)的导轨 16 mm
所有型号

所有型号

型号 最小夹紧范围 D 最大夹紧范围 D 最大 拧紧扭矩 产品编码 数量
2056 M3 12 FT 8 mm 12 mm 3 Nm 1156241
50 个
2056 M3 16 FT 12 mm 16 mm 3 Nm 1156268
50 个
2056 M3 22 FT 16 mm 22 mm 3 Nm 1156276
50 个
2056 M3 28 FT 22 mm 28 mm 3 Nm 1156284
50 个
下载

下载

下载
下载
下载

下载

2056 M3 12 FT / 1156241
下载