SKS-Magic® 85线缆桥架 FT

项目编号 6059549 | EAN码 4012195833086

3050 mm
85 mm
1.5 mm
热浸镀锌
产品描述
产品描述
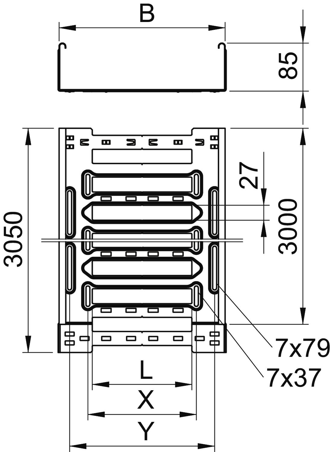
集成快速紧固系统的电缆桥架。 电缆桥架的可用长度为3,000毫米。

电缆桥架具有7 x 20 mm的连续侧孔,用于安装其他连接和安装组件。

根据VdS准则2092,从一个200毫米宽,表面30%是孔的电缆桥架,适合在喷水灭火系统下使用。

无需其他组件即可保证等电位连接的连续性。

  • 电气、电子、信息技术注册协会,德国
  • 欧共体,根据欧共体指令的欧共体(EC)符合性声明
  • UKCA 符合性声明
  • Environmental Product Declaration (EPD)
  • CO₂ footprint (PCF)
技术资料

二氧化碳足迹(Product Carbon Footprint)

CO2 足迹 (GWP) 从摇篮到大门 7,6306 kg CO2e / 1 米
NATO 穿孔样式
不锈钢,已酸洗
侧孔
功能维护
可用截面 83 cm²
可用截面 8300 mm²
地面安装孔
宽度 100 mm
尺寸 85x100x3050
尺寸 B 100 mm
尺寸 L 30 mm
尺寸 y 62 mm
带盖板
支撑距离1.5 m 3,4 kN/m
支撑间距2.0 m 2,07 kN/m
支撑间距2.0 m 2,7 kN/m
支撑间距3.0 m 1,5 kN/m
材料
板厚 1,5 mm
电缆拖链系统连接器类型 卡紧
磁性屏蔽衰减率(带盖板) 50 dB
磁性屏蔽衰减率(无盖板) 20 dB
表面 热浸镀锌
载荷测试类型符合 IEC 61537 II 型
连接件型号 集成连接件
长度 3050 mm
长跨距规格
颜色
高度 85 mm

技术资料

负载图,线缆桥架,型号SKSM 85

负载图,线缆桥架,型号SKSM 85
  • 允许电缆托盘/梯架负载,单位:kN/m,无人力负载 允许电缆托盘/梯架负载,单位:kN/m,无人力负载
  • 支撑隔距,单位:m 支撑隔距,单位:m
  • 在允许的允许的KN/m情况下的侧轨弯折,单位:mm 在允许的允许的KN/m情况下的侧轨弯折,单位:mm
  • 测试过程中的负载方案 测试过程中的负载方案
  • 带有电缆桥架/梯子宽度的负载曲线,单位为 mm 带有电缆桥架/梯子宽度的负载曲线,单位为 mm
  • 取决于跨度的钢轨挠度曲线 取决于跨度的钢轨挠度曲线
所有型号

所有型号

型号 长度 宽度 高度 板厚 功能维护 颜色 材料 表面 产品编码 数量
SKSM 810 FT 3050 mm 100 mm 85 mm 1.5 mm 热浸镀锌 6059549
3 m
SKSM 820 FT 3050 mm 200 mm 85 mm 1.5 mm 热浸镀锌 6059553
3 m
SKSM 830 FT 3050 mm 300 mm 85 mm 1.5 mm 热浸镀锌 6059555
3 m
SKSM 840 FT 3050 mm 400 mm 85 mm 1.5 mm 热浸镀锌 6059557
3 m
SKSM 850 FT 3050 mm 500 mm 85 mm 1.5 mm 热浸镀锌 6059559
3 m
SKSM 860 FT 3050 mm 600 mm 85 mm 1.5 mm 热浸镀锌 6059561
3 m
附件

系统附件

产品 型号 产品编码 数量
直线连接件Magic DD 直线连接件Magic DD KTSMV 810 DD 6069024
1 个
带旋转扣盖板 带旋转扣盖板 DRL 100 FT 6051340
3 m
90°弯角 85 FT 90°弯角 85 FT RB 90 810 FT 6036712
1 个
旁接三通 85 FT 旁接三通 85 FT RAA 810 FT 6042231
1 个
三通 85 FT 三通 85 FT RT 810 FT 6038230
1 个
四通 85 FT 四通 85 FT RK 810 FT 7027431
1 个
带旋转扣盖板 带旋转扣盖板 DRL 100 DD 6052703
3 m
隔板85 DD 隔板85 DD TSG 85 DD 6062331
3 m
90°弯头Magic 85 FT 90°弯头Magic 85 FT RBM 90 810 FT 6041510
1 个
下载

下载

下载
环保产品声明(EPD) SKSM 810 FT / 6059549 , 1.48MB , pdf
下载

下载
下载

SKSM 810 FT / 6059549
下载