快速固定夹,阻燃,纯白色

项目编号 2149375 | EAN码 4012195586456

产品描述
产品描述
用于安装公制钢管、轻型和重型绝缘导管和 Quick-Pipe 快装线管的阻燃明装夹子。 适用于室内和室外受保护区域的墙壁和天花板的通用紧固件。 当使用木螺钉或冲击销安装时,带有用于横向对齐的槽。 免工具管道安装。 也可以与OBO Multi-Quick或starQuick 快装夹搭配使用。 M16-M32尺寸的螺钉可以拧到M6螺纹上。 建议紧固间距为50–60 cm,在 20°C 室温下的最大拉出值 F 见表。
  • 公制产品标识
  • 电气、电子、信息技术注册协会,德国
  • 无卤、无氯、无氟、无溴
  • 阻燃 750°C
  • 欧共体,根据欧共体指令的欧共体(EC)符合性声明
  • UKCA 符合性声明
  • 公制螺纹
  • CO₂ footprint (PCF)
技术资料

二氧化碳足迹(Product Carbon Footprint)

CO2 足迹 (GWP) 从摇篮到大门 0,0374 kg CO2e / 1 件
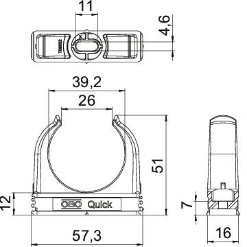
E尺寸 11 mm
关闭
可扩展的
固定方式 螺丝孔
尺寸 M40
尺寸 A 57,3 mm
尺寸 B 16 mm
尺寸 C 26,0 mm
尺寸 D 39,2 mm
尺寸 F 4,6 mm
尺寸 h 12 mm
尺寸H 51 mm
带镶嵌材料
抗紫外线
拉出值 110 N
无卤
最大夹紧范围 D 40 mm
最小夹紧范围 D 40 mm
材料 聚丙烯
电缆/管道数量 1
阻燃 符合 VDE 0471/DIN 695 第 2-1 部分,测试温度 750°C
颜色 纯白色;RAL 9010
额定变量/文本 M40
所有型号

所有型号

型号 额定变量/文本 产品编码 数量
2955 F M16 RW M16 2149351
100 个
2955 F M20 RW M20 2149357
100 个
2955 F M25 RW M25 2149363
100 个
2955 F M32 RW M32 2149369
50 个
2955 F M40 RW M40 2149375
50 个
下载

下载

下载
下载

下载

2955 F M40 RW / 2149375
下载