快速固定夹,黑色

项目编号 2149579 | EAN码 4012195616993

产品描述
产品描述
用于安装公制铠装钢管、轻型和重型绝缘导管以及 Quick-Pipe快装线管的明装夹子。 适用于室内和室外受保护区域的墙壁和天花板的通用紧固件。 当使用木螺钉或冲击销安装时,带有用于横向对齐的槽。 免工具管道安装。 也可以与OBO Multi-Quick或starQuick 快装夹搭配使用。 M16-M32尺寸的螺钉可以拧到M6螺纹上。 建议紧固间距为50–60 cm,在 20°C 室温下的最大拉出值 F 见表。
  • 电气、电子、信息技术注册协会,德国
  • 无卤、无氯、无氟、无溴
  • 欧共体,根据欧共体指令的欧共体(EC)符合性声明
  • UKCA 符合性声明
  • 公制螺纹
  • CO₂ footprint (PCF)
技术资料

二氧化碳足迹(Product Carbon Footprint)

CO2 足迹 (GWP) 从摇篮到大门 0,0608 kg CO2e / 1 件
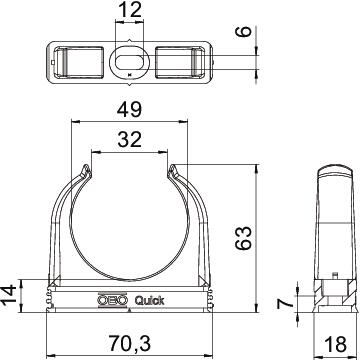
E尺寸 12 mm
关闭
可扩展的
固定方式 螺丝孔
尺寸 M50
尺寸 A 70,3 mm
尺寸 B 18 mm
尺寸 C 32 mm
尺寸 D 49 mm
尺寸 F 6 mm
尺寸 h 14 mm
尺寸H 63 mm
带镶嵌材料
抗紫外线
拉出值 135 N
无卤
材料 聚丙烯
电缆/管道数量 1
颜色 墨黑色;RAL 9005
额定变量/文本 M50
所有型号

所有型号

型号 额定变量/文本 产品编码 数量
2955 M16 SW M16 2149559
100 个
2955 M20 SW M20 2149563
100 个
2955 M25 SW M25 2149567
100 个
2955 M32 SW M32 2149571
50 个
2955 M40 SW M40 2149575
50 个
2955 M50 SW M50 2149579
25 个
2955 M63 SW M63 2149583
20 个
下载

下载

下载
下载

下载

2955 M50 SW / 2149579
下载