控制系统电涌保护器,2极电源,230 V AC,带遥信报警装置

项目编号 5097858 | EAN码 4012195578215

5097858 / VF230-AC-FS
255 V
IP20
产品描述
产品描述
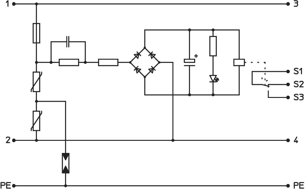
电涌保护器3级,符合 EN 61643-11,带遥信报警装置

• 带遥信报警装置,用于远程监控和SPD运行状态的浮动切换触点
• 适用于交流系统
• 带状态指示灯
• 无螺钉压接式连接端子,安装方便
• 厚度仅为17.5 mm,节省空间
• Y型电路

应用:安装于标准配电箱中的35 mm DIN导轨。
  • MAGYAR ELEKTROTECHNIKAI ELLENŐRZŐ INTÉZET Budapest,匈牙利
  • 5年质保
  • 欧共体,根据欧共体指令的欧共体(EC)符合性声明
  • 保护设备,符合DIN EN 61643-11和IEC 61643-11
  • 从LPZ 2过渡到LPZ 3
  • 遥信装置
  • 安装电工专业知识
  • CO₂ footprint (PCF)
  • Packaging without plastic
技术资料

二氧化碳足迹(Product Carbon Footprint)

CO2 足迹 (GWP) 从摇篮到大门 0,8639 kg CO2e / 1 件
FM 连接 转换
LPZ 2→3
OBO_额定载荷电流(输入/输出端子) 20 A
SPD 依据 IEC 61643-1 III 级
SPD 符合 EN 61643-11 3级
保护水平 [L-N] ≤1000
保护等级 IP20
信号装置
响应时间 <25 ns
外泄型
安装方式 导轨35mm
尺寸 230V AC
最大刚性导线截面(实心/绞合) 2,5 mm²
最大工作温度 80 °C
最大持续工作电压AC 255 V
最大放电电流 (8/20 μs) 7 kA
最大温度范围 80 °C
最小刚性导线截面(实心/绞合) 0,14 mm²
最小工作温度 -40 °C
最小温度范围 -40 °C
标称放电电流 (8/20 µs) 2,5 kA
测试类别 3级
电压保护水平 线 - 地 <1400 V
电压保护水平 线 - 线 <1060 V
电极数 3
电网制式 其他
联合保护等级 [L-PE] 1500 kV
遥信装置
防爆测试版
额定工作电压 AC (50 / 60 Hz) 230 V
所有型号

所有型号

型号 最大持续工作电压AC 保护等级 产品编码 数量
VF230-AC-FS 255 V IP20 5097858
1 个
下载

下载

下载
下载

下载

此产品没有招标邀请