可插拔数据线电涌保护器,2x2线,直接接地,带视觉信号和远程信号选择,24 V

项目编号 5080361 | EAN码 4012196742264

4
2x2-级
接线夹
产品描述
产品描述
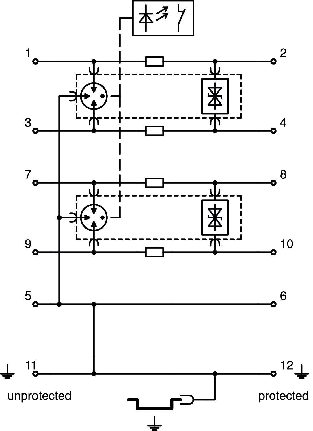
可插拔数据线电涌保护器1+2/D1+C2类,用于测量、控制和调节技术

• 多线系统保护
• 直接屏蔽接地
• 频率范围高达 100 MHz
• 可通过 DIN 导轨或连接线接地
• 12.5 mm的小宽度
• 系统有效性高——无保护模块时无信号中断
• 通过 PDP-PS 电源提供视觉信号和远程信号选项

应用:MSR数据传输设备的通用防雷和电涌保护。
  • 5年质保
  • 欧共体,根据欧共体指令的欧共体(EC)符合性声明
  • 测量、控制和自动化系统
  • 从LPZ 0过渡到LPZ 2
  • 安装电工专业知识
  • CO₂ footprint (PCF)
技术资料

二氧化碳足迹(Product Carbon Footprint)

CO2 足迹 (GWP) 从摇篮到大门 0,7765 kg CO2e / 1 件
Kategorie Typ 1+2 / D1+C2
LPZ 0→2
SPD 依据 IEC 61643-1 I+II 级
SPD 依据 IEC 61643-21 Class I+II / D1+C2
SPD 符合 EN 61643-11 1+2级
串联电阻 1.2 ± 5%
保护等级 IP20
信号装置
冲击耐受能力 线-地 10 kV / 5 kA
冲击耐受能力 线-线 10 kV / 5 kA
安装入口/出口 螺丝端子
容量(线-地) ≤30 pF
容量(线-线) ≤30 pF
宽度 17,5 mm
尺寸 24V
屏蔽 直接
屏蔽连接
总体放电电流 (10/350) 5 kA
总体放电电流 (8/20) 20 kA
截止频率 100 MHz
插入损耗 (Insertion loss) ≤3 dB
插拔系统 接线夹
最大刚性接口截面 2,5 mm²
最大多线式接口截面 2,5 mm²
最大持续工作电压 DC 30 V
最大持续工作电压AC 21 V
最大柔性接口截面 1,5 mm²
最大温度范围 80 °C
最小刚性接口截面 0,14 mm²
最小多线式接口截面 0,14 mm²
最小柔性接口截面 0,14 mm²
最小温度范围 -40 °C
标称放电电流 (8/20 µs) 10 kA
每线串联电阻 1,2 Ω ± 5%
测试标准 IEC 61643-21
电压保护水平 线 - 地 850 V
电压保护水平 线 - 线 150 V
电极数量 4
脉冲电流 2,5 kA
规格 2x2-级
通过以下方式接地: 连接线/支承轨道
长度 75 mm
额定放电电流 In C2 (总) 20 kA
额定负载电流 AC 0,425 A
额定负载电流 DC 0,6 A
高度 95 mm
所有型号

所有型号

型号 电极数量 规格 最大持续工作电压AC 最大持续工作电压 DC 插拔系统 产品编码 数量
PDP-2x2-5-D-OS 4 2x2-级 4.2 V 6 V 接线夹 5080357
1 个
PDP-2x2-12-D-OS 4 2x2-级 12 V 16 V 接线夹 5080359
1 个
PDP-2x2-24-D-OS 4 2x2-级 21 V 30 V 接线夹 5080361
1 个
PDP-2x2-48-D-OS 4 2x2-级 37 V 52 V 接线夹 5080364
1 个
下载

下载

下载
下载

下载

PDP-2x2-24-D-OS / 5080361
下载