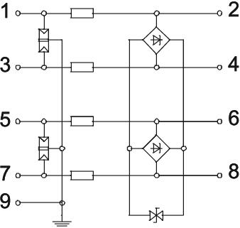
工控线路电涌保护器,4 线,48 V

项目编号 5098450 | EAN码 4012195406914

41 V
58 V
接线夹
产品描述
产品描述
电涌保护器48 V,带测试功能

• 额定负载电流 0.58 A
• 多线系统保护
• 直接屏蔽接地和无螺钉压接式连接端子
• 厚度仅为 8.7 mm,节省空间
• 可通过 Life Control 进行功能测试
• 0-100 MHz 的高频范围
• UL 认证 (4DG1)

应用:安装于标准配电箱中的35 mm DIN导轨。
  • 保险商实验室公司,美国
  • 5年质保
  • 欧共体,根据欧共体指令的欧共体(EC)符合性声明
  • 测量、控制和自动化系统
  • Life Control测试装置
  • 从LPZ 0过渡到LPZ 3
  • 安装电工专业知识
  • CO₂ footprint (PCF)
  • Packaging without plastic
技术资料

二氧化碳足迹(Product Carbon Footprint)

CO2 足迹 (GWP) 从摇篮到大门 0,3025 kg CO2e / 1 件
Kategorie Typ 1+2+3 / D1+C2+C1
LPZ 0→3
SPD 依据 IEC 61643-21 Class I+II+III / D1+C2+C1
保护等级 IP20
保护等级@ C1 <110 V
信号装置 可视化
冲击耐受能力 线-地 C2: 5 kV / 2,5 kA (8/20µs)
冲击耐受能力 线-线 C1: 0,5 kV / 0,25 kA (8/20µs)
容量(线-线) < 40 pF
尺寸 48V
屏蔽 直接
屏蔽连接
总体放电电流 (10/350) D1: 2 kA
总体放电电流 (8/20) 10 kA
截止频率 100 MHz
插入损耗 (Insertion loss) ≤3 dB
插拔系统 接线夹
最大刚性接口截面 2,5 mm²
最大多线式接口截面 1,5 mm²
最大持续工作电压 DC 58 V
最大持续工作电压AC 41 V
最大柔性接口截面 2,5 mm²
最大温度范围 80 °C
最小刚性接口截面 0,14 mm²
最小多线式接口截面 0,14 mm²
最小柔性接口截面 0,14 mm²
最小温度范围 -40 °C
每线串联电阻 2,35 Ω ± 5 %
测试标准 IEC 61643-21
电压保护水平 线 - 地 <800 V
电压保护水平 线 - 线 <95 V
电极数量 4
绝缘电阻 >100 MΩ
认证 UL
通过以下方式接地: DIN 导轨
遥信触点
防爆测试版
防雷器监控
额定电压 48 V
额定负载电流 AC 0,4 A
额定负载电流 DC 0,58 A
所有型号

所有型号

型号 电极数量 最大持续工作电压AC 最大持续工作电压 DC 插拔系统 产品编码 数量
MDP-2 D-48-T 2 41 V 58 V 接线夹 5098442
1 个
MDP-3 D-48-T 3 41 V 58 V 接线夹 5098446
1 个
MDP-4 D-48-T 4 41 V 58 V 接线夹 5098450
1 个
下载

下载

下载
下载

下载

MDP-4 D-48-T / 5098450
下载