电源,5V,用于PDP-OS

项目编号 5080452 | EAN码 4012196742158

产品描述
产品描述
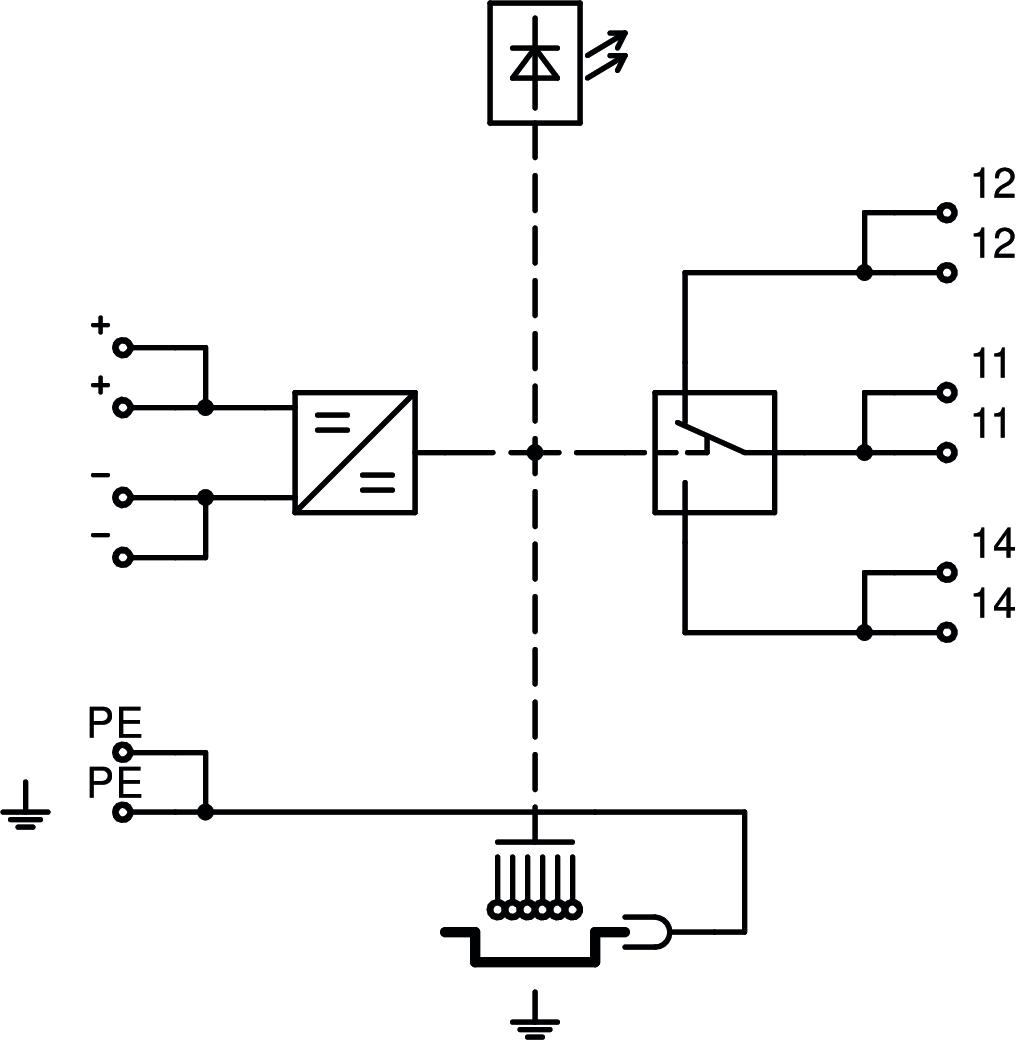
用于可插拔数据线电涌保护器 PDP-OS 的电源,具有视觉信号和远程信号。


• 最多支持 25 个 PDP-OS
• 适用于 DIN 导轨安装
• 具有视觉信号和远程信号选择

应用:MSR技术中数据传输设备的通用雷电和电涌保护。



  • 5年质保
  • 欧共体,根据欧共体指令的欧共体(EC)符合性声明
  • 测量、控制和自动化系统
  • 安装电工专业知识
  • CO₂ footprint (PCF)
技术资料

二氧化碳足迹(Product Carbon Footprint)

CO2 足迹 (GWP) 从摇篮到大门 0,297 kg CO2e / 1 件
保护等级 IP20
信号装置
安装入口/出口 螺丝端子
宽度 13 mm
尺寸 5V
屏蔽连接
最大刚性接口截面 2,5 mm²
最大多线式接口截面 2,5 mm²
最大柔性接口截面 1,5 mm²
最大温度范围 80 °C
最小刚性接口截面 0,14 mm²
最小多线式接口截面 0,14 mm²
最小柔性接口截面 0,14 mm²
最小温度范围 -40 °C
通过以下方式接地: 连接线
遥信触点
长度 75 mm
高度 98 mm
所有型号

所有型号

型号 电极数量 规格 最大持续工作电压AC 最大持续工作电压 DC 插拔系统 产品编码 数量
PDP-PS 5080452
1 个
下载

下载

下载
下载

欧盟符合性声明 PDP-PS / 5080452 , 0.11MB , pdf
下载

PDP-PS / 5080452
下载