电涌保护器V20,3+NPE 280 V

项目编号 5095253 | EAN码 4012196161331

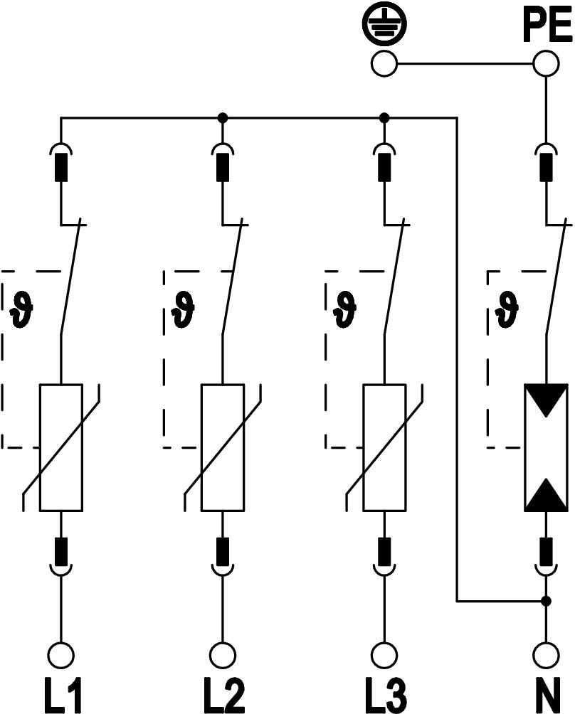
5095253 / V20-3+NPE-280
3+N/PE
280 V
IP20
产品描述
产品描述
电涌保护器2级

• 用于符合 VDE 0100-443 (IEC 60364-4-44) 的防雷等电位连接
• 采用高性能压敏电阻,每极最大放电电流 40 kA (8/20)
• 可插拔电涌保护器,带内置断路器和视窗指示装置
• 带防震和电压识别销功能
• 无卤塑料外壳(UL 94 V-0)
• FS(遥信报警装置)版本,用于远程监控和SPD运行状态的浮动切换触点

应用:主配电箱和分配电箱中的等电位连接。
  • 美国UL + 加拿大CSA
  • 奥地利电子技术协会,奥地利
  • 电气、电子、信息技术注册协会,德国
  • KEMA-KEUR,荷兰
  • 5年质保
  • 欧共体,根据欧共体指令的欧共体(EC)符合性声明
  • 欧亚合规性
  • 监管合规标志——澳大利亚/新西兰符合性声明
  • 保护设备,符合DIN EN 61643-11和IEC 61643-11
  • 从LPZ 1过渡到LPZ 2
  • 安装电工专业知识
  • CO₂ footprint (PCF)
  • Packaging without plastic
  • Packaging made entirely from recycled cardboard
技术资料

二氧化碳足迹(Product Carbon Footprint)

CO2 足迹 (GWP) 从摇篮到大门 1,7718 kg CO2e / 1 件
SPD 依据 IEC 61643-1 II 级
SPD 符合 EN 61643-11 类型 2
SPD 符合 UL 1449 Type 4
TOV-电压 [L-N] - 故障安全模式 - 120 分钟 440 V
TOV-电压 [L-N] - 耐受模式 - 5 秒 335 V
TOV-电压 [N-PE] - 耐受模式 - 200 毫秒 1200 V
供电类型 TN
供电类型 TN-C-S
供电类型 TN-S
供电类型 TT
保护水平 [L-N] ≤1,3
保护等级 IP20
信号装置
响应时间 <25 ns
外壳材料 PA UL 94 V-0
外泄型
安装方式 导轨35mm
宽度 71,2 mm
尺寸 280V
扭矩 4 Nm
放电电流 (8/20 µs) [总体] 60 kA
最大刚性导线截面(实心/绞合) 2 AWG
最大刚性导线截面(实心/绞合) 35 mm²
最大后备熔断器 160 A
最大工作温度 80 °C
最大持续工作电压AC 280 V
最大持续工作电压(L-N) 280 V
最大持续工作电压(N-PE) 255 V
最大放电电流 (8/20 μs) 40 kA
最大放电电流 (8/20 μs) [N-PE] 60 kA
最大放电电流(8/20 μs) [L-N] 40 kA
最大柔性导线截面(细绞) 2 AWG
最大柔性导线截面(细绞) 35 mm²
最大温度范围 80 °C
最大电源侧过流保护 160 A gL/gG
最大空气湿度 95 %
最小刚性导线截面(实心/绞合) 1,5 mm²
最小刚性导线截面(实心/绞合) 16 AWG
最小工作温度 -40 °C
最小柔性导线截面(细绞) 16 AWG
最小柔性导线截面(细绞) 1,5 mm²
最小温度范围 -40 °C
最小空气湿度 5 %
最小距离 1,5 mm
标称放电电流 (8/20 µs) 20 kA
标称放电电流 (8/20 µs) [L-N] 20 kA
标称放电电流 (8/20 µs) [N-PE] 40 kA
残压 [L-N] @ 1 kA 0,8 kV
残压 [L-N] @ 5 kA 1 kV
测试类别 2级
电极数 4
电极规格 3+N/PE
电源侧过流保护最大时抗短路 50 kA eff
电网制式 其他
续流灭弧能力(有效)[N-PE] 0,1 kA
联合保护等级 [L-PE] 1,5 kV
认证 VDE, KEMA, UL, ÖVE
遥信装置
长度 78,5 mm
防短路
集成后备保险丝
额定工作电压 AC (50 / 60 Hz) 230 V
高度 90 mm
所有型号

所有型号

型号 电极规格 最大持续工作电压AC 保护等级 产品编码 数量
V20-3+NPE-280 3+N/PE 280 V IP20 5095253
1 个
下载

下载

下载
下载
下载

下载

V20-3+NPE-280 / 5095253
下载