电涌保护器ÜSM-10-230l2P+PE

项目编号 5092426 | EAN码 4012196426768

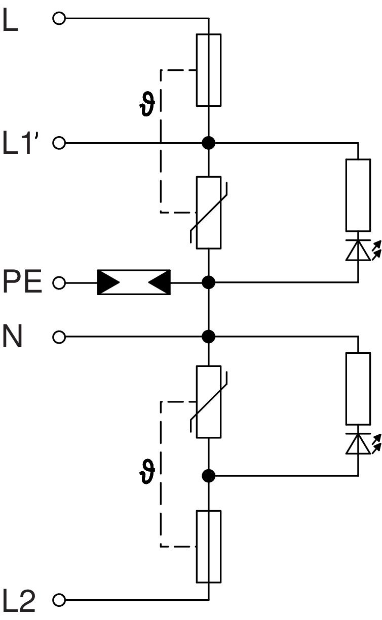
5092426 / ÜSM-10-230I2P+PE
2+N/PE
255 V
IP20
产品描述
产品描述
电涌保护器2+3级,符合 DIN EN 61643-11,适用于 230/400V 系统。

旨在保护电子设备,例如 LED 驱动器。



• 用于两相灯(功率降低)
• 如果 SPD 失效,则具有功能显示和负载电路断开
• 体积小,可安装在桅杆接线盒中或LED驱动器前
• 最大放电电流10kA的保护电路
• 过电压限制低于1300V(保护水平)
• 用于带 PE 连接的 LED 灯

应用:在电缆过渡箱、接线盒、地板系统的电缆管道中
保护 LED 灯等电子设备免受电涌过电压影响
  • 5年质保
  • 欧共体,根据欧共体指令的欧共体(EC)符合性声明
  • 欧亚合规性
  • 从LPZ 1过渡到LPZ 3
  • 保护设备,符合DIN EN 61643-11和IEC 61643-11
  • 安装电工专业知识
  • CO₂ footprint (PCF)
  • Packaging without plastic
技术资料

二氧化碳足迹(Product Carbon Footprint)

CO2 足迹 (GWP) 从摇篮到大门 0,0298 kg CO2e / 1 件
LPZ 1→2
OBO_额定载荷电流(输入/输出端子) 16 A
SPD 依据 IEC 61643-1 II+III 级
SPD 符合 EN 61643-11 2+3级
保护水平 [L-N] ≤1,3
保护等级 IP20
信号装置
响应时间 <25 ns
安装方式 其他
宽度 40 mm
尺寸 230V
放电电流 (8/20 µs) [总体] 10 kA
最大后备熔断器 16 A
最大工作温度 80 °C
最大持续工作电压AC 255 V
最大持续工作电压(L-N) 255 V
最大持续工作电压(N-PE) 255 V
最大放电电流 (8/20 μs) 10 kA
最大放电电流 (8/20 μs) [N-PE] 10 kA
最大放电电流(8/20 μs) [L-N] 10 kA
最大温度范围 80 °C
最大电源侧过流保护 16
最小工作温度 -40 °C
最小温度范围 -40 °C
标称放电电流 (8/20 µs) 5 kA
标称放电电流 (8/20 µs) [L-N] 5 kA
标称放电电流 (8/20 µs) [N-PE] 5 kA
测试类别 2级
测试类别 3级
电极规格 2+N/PE
联合保护等级 [L-PE] 1,3 kV
规格 2+PE,绝缘等级 I
连接电缆长度 0,09 m
长度 155 mm
额定工作电压 AC (50 / 60 Hz) 230 V
高度 21 mm
所有型号

所有型号

型号 电极规格 最大持续工作电压AC 保护等级 产品编码 数量
ÜSM-10-230I2P+PE 2+N/PE 255 V IP20 5092426
1 个
下载

下载

下载
下载

下载

ÜSM-10-230I2P+PE / 5092426
下载