电涌保护器,用于230 V LED 系统

项目编号 5092480 | EAN码 4012196035441

5092480 / ÜSM-LED 230
1+N/PE
255 V
IP20
产品描述
产品描述
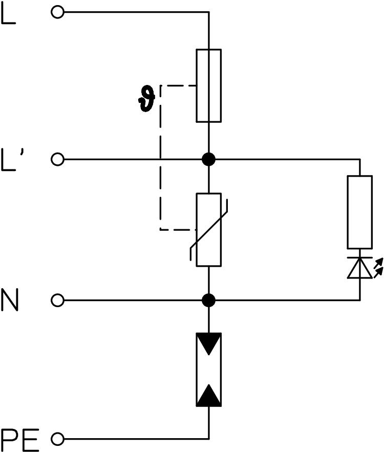
电涌保护器2+3级,符合 DIN EN 61643-11,适用于 230/400V 系统。

适用于LED照明的保护。



• 带状态指示灯
• 体积小,可安装在桅杆或 LED 灯头中
• 1+NPE保护电路,最大放电电流20kA
• 过电压限制低于 1300V 或 1000V @ 5kA
• 故障时可使用或不使用灯的切断功能

应用:可普遍用于各种照明系统
保护 LED 灯等电子设备免受电涌过电压影响
  • 5年质保
  • 欧共体,根据欧共体指令的欧共体(EC)符合性声明
  • 欧亚合规性
  • 从LPZ 1过渡到LPZ 3
  • 保护设备,符合DIN EN 61643-11和IEC 61643-11
  • 安装电工专业知识
  • CO₂ footprint (PCF)
  • Packaging without plastic
技术资料

二氧化碳足迹(Product Carbon Footprint)

CO2 足迹 (GWP) 从摇篮到大门 0,0251 kg CO2e / 1 件
LPZ 1→3
OBO_额定载荷电流(输入/输出端子) 16 A
SPD 依据 IEC 61643-1 II+III 级
SPD 符合 EN 61643-11 2+3级
保护水平 [L-N] ≤1,3
保护等级 IP20
信号装置
响应时间 <25 ns
安装方式 其他
尺寸 230V
放电电流 (8/20 µs) [总体] 20 kA
最大后备熔断器 16 A
最大工作温度 80 °C
最大持续工作电压AC 255 V
最大持续工作电压(L-N) 255 V
最大持续工作电压(N-PE) 255 V
最大放电电流 (8/20 μs) 20 kA
最大放电电流 (8/20 μs) [N-PE] 20 kA
最大放电电流(8/20 μs) [L-N] 20 kA
最大温度范围 80 °C
最大电源侧过流保护 16
最小工作温度 -40 °C
最小温度范围 -40 °C
标称放电电流 (8/20 µs) 10 kA
标称放电电流 (8/20 µs) [L-N] 10 kA
标称放电电流 (8/20 µs) [N-PE] 10 kA
测试类别 2级
测试类别 3级
电极规格 1+N/PE
电网制式 其他
规格 1+NPE
连接电缆长度 0,09 m
遥信装置
集成后备保险丝
额定工作电压 AC (50 / 60 Hz) 230 V
所有型号

所有型号

型号 电极规格 最大持续工作电压AC 保护等级 产品编码 数量
ÜSM-LED 230 1+N/PE 255 V IP20 5092480
1 个
下载

下载

下载
下载

下载

ÜSM-LED 230 / 5092480
下载