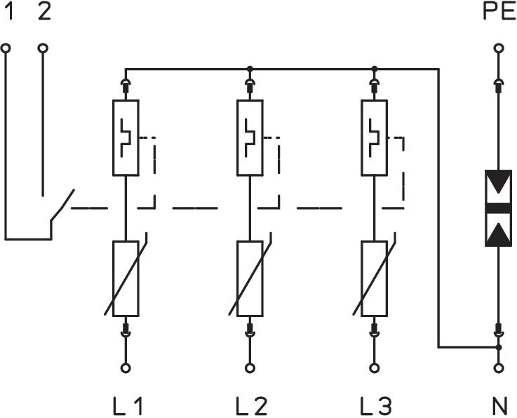
电涌保护器 V25 3+NPE 385 V,带遥信报警装置

项目编号 5094526 | EAN码 4012195239994

5094526 / V25-B+C 3NPEFS38
3+N/PE
385 V
IP20
产品描述
产品描述
复合型电涌保护器1+2级

• 由模块和底座组成,预组装并可连接使用
• 普遍适用于 TN 和 TT 系统
• 带遥信报警装置,用于远程监控和SPD运行状态的浮动切换触点
• 带热感断路器的可插拔电涌保护器
• 带视窗指示装置
• 保护水平 < 0.9 kV
• 浇注密封,氧化锌压敏电阻电涌保护器,用于标准配电箱
• 带接线标记

应用示例:具有架空线路供电的建筑物或用于在住宅建筑物中建立防雷等电位连接。
*整体=模块和底座
  • MAGYAR ELEKTROTECHNIKAI ELLENŐRZŐ INTÉZET Budapest,匈牙利
  • 5年质保
  • 欧共体,根据欧共体指令的欧共体(EC)符合性声明
  • 欧亚合规性
  • 1级和2级组合保护器
  • 从LPZ 0过渡到LPZ 2
  • 遥信装置
  • CO₂ footprint (PCF)
  • Packaging without plastic
技术资料

二氧化碳足迹(Product Carbon Footprint)

CO2 足迹 (GWP) 从摇篮到大门 1,963 kg CO2e / 1 件
LPZ 0→2
SPD 依据 IEC 61643-1 I+II 级
SPD 符合 EN 61643-11 1+2级
供电类型 TN
供电类型 TN-C-S
供电类型 TN-S
供电类型 TT
保护水平 [L-N] ≤1,6
保护等级 IP20
信号装置
响应时间 <25 ns
外泄型
尺寸 385V
放电电流 (8/20 µs) [总体] 120 kA
最大刚性导线截面(实心/绞合) 35 mm²
最大后备熔断器 160 A
最大工作温度 80 °C
最大持续工作电压 DC 200 V
最大持续工作电压AC 385 V
最大放电电流 (8/20 μs) 50 kA
最大温度范围 80 °C
最大电源侧过流保护 160
最小刚性导线截面(实心/绞合) 2,5 mm²
最小工作温度 -40 °C
最小温度范围 -40 °C
标称放电电流 (8/20 µs) 30 kA
标称放电电流 (8/20 µs) [L-N] 30 kA
标称放电电流 (8/20 µs) [N-PE] 30 kA
电极数 1
电极规格 3+N/PE
电网制式 其他
脉冲冲击电流(10/350 μs) 7 kA
规格 3+NPE
遥信装置
雷电冲击电流 (10/350) [总] 25 kA
额定工作电压 AC (50 / 60 Hz) 350 V
所有型号

所有型号

型号 电极规格 最大持续工作电压AC 保护等级 产品编码 数量
V25-B+C 3NPEFS38 3+N/PE 385 V IP20 5094526
1 个
下载

下载

下载
下载
下载
下载

此产品没有招标邀请